
Introduction
Allen Cap As per Din 912
An Allen cap, also known as a hex cap or a hexagonal cap, is a type of fastener with a hexagonal body and internal threads that allow it to be tightened onto a bolt or screw. It has a hexagonal shape that allows it to be tightened or loosened using an Allen wrench or hex key. Allen caps are commonly used in a variety of applications, including construction, automotive, and mechanical engineering, and they are available in a range of sizes, materials, and finishes to suit different requirements. They are often used in applications where a tool is required to tighten or loosen the fastener, such as in high-stress or high-torque applications. Allen caps are easy to install and remove, and the hexagonal shape allows for precise and precise tightening and loosening.

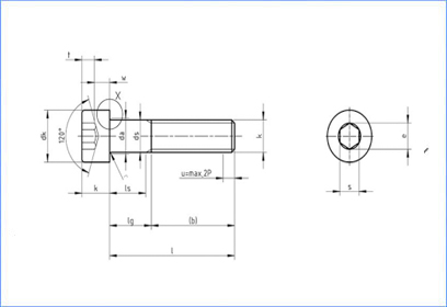
Dimensions
Allen Cap As per Din 912 | |||||||||
DIAMETER (d) | 3 x 0.5 P | 4 x 0.7 P | 5 x 0.8 P | 6 x 1 p | 8 x 1.25 P | 10 x 1.5 P | 12 x 1.75 | ||
HEAD DIAMETER (D) | Min | 5.32 | 6.78 | 8.28 | 9.78 | 12.73 | 15.73 | 17.73 | |
Max | 5.50 | 7.00 | 8.50 | 10.00 | 13.00 | 16.00 | 18.00 | ||
HEAD THICKNESS (k) | Min | 3.00 | 4.00 | 5.00 | 6.00 | 8.00 | 10.00 | 12.00 | |
Max | 2.86 | 3.82 | 4.82 | 5.70 | 7.64 | 9.64 | 11.57 | ||
SOCKET ACROSS FLAT (S) | Nom | 2.50 | 3.00 | 4.00 | 5.00 | 6.00 | 8.00 | 10.00 | |
Min | 2.58 | 3.08 | 4.10 | 5.14 | 6.14 | 8.18 | 10.18 | ||
Max | 2.52 | 3.02 | 4.02 | 5.02 | 6.02 | 8.03 | 10.03 | ||
SOCKET CORNER FLAT (e) | Min | 2.87 | 3.44 | 4.58 | 5.72 | 6.86 | 9.15 | 11.43 | |
SOCKET DEPTH (t) | Min | 1.30 | 2.00 | 2.50 | 3.00 | 4.00 | 5.00 | 6.00 | |
Length | Min | Max | |||||||
16 | 15.10 | 16.90 | ALN03016 | ALN04016 | ALN05016 | ALN06016 | ALN08016 | ALN10016 | ALN12016 |
20 | 18.95 | 21.05 | ALN03020 | ALN04020 | ALN05020 | ALN06020 | ALN08020 | ALN10020 | ALN12020 |
25 | 23.95 | 26.05 | ALN03025 | ALN04025 | ALN05025 | ALN06025 | ALN08025 | ALN10025 | ALN12025 |
30 | 28.95 | 31.05 | ALN03030 | ALN04030 | ALN05030 | ALN06030 | ALN08030 | ALN10030 | ALN12030 |
35 | 33.75 | 36.25 | ALN03035 | ALN04045 | ALN05035 | ALN06035 | ALN08035 | ALN10035 | ALN12035 |
40 | 38.75 | 41.25 | ALN03040 | ALN04040 | ALN05040 | ALN06040 | ALN08040 | ALN10040 | ALN12040 |
45 | 43.75 | 46.25 | ALN03045 | ALN04045 | ALN05045 | ALN06045 | ALN08045 | ALN10045 | ALN12045 |
50 | 48.75 | 51.25 | ALN03050 | ALN04050 | ALN05050 | ALN06050 | ALN08050 | ALN10050 | ALN12050 |
55 | 53.50 | 56.50 | ALN03055 | ALN04055 | ALN05055 | ALN06055 | ALN08055 | ALN10055 | ALN12055 |
60 | 58.50 | 61.50 | ALN03060 | ALN04060 | ALN05060 | ALN06060 | ALN08060 | ALN10060 | ALN12060 |
65 | 63.50 | 66.50 | ALN03065 | ALN04065 | ALN05065 | ALN06065 | ALN08065 | ALN10065 | ALN12065 |
70 | 68.50 | 71.50 | ALN03070 | ALN04070 | ALN05070 | ALN06070 | ALN08070 | ALN10070 | ALN12070 |
80 | 78.50 | 81.50 | ALN03080 | ALN04080 | ALN05080 | ALN06080 | ALN08080 | ALN10080 | ALN12080 |
90 | 88.25 | 91.75 | ALN03090 | ALN04090 | ALN05090 | ALN06090 | ALN08090 | ALN10090 | ALN12090 |
100 | 98.25 | 101.75 | ALN03100 | ALN04100 | ALN05100 | ALN06100 | ALN08100 | ALN10100 | ALN12100 |
110 | 108.25 | 111.75 | ALN03110 | ALN04110 | ALN05110 | ALN06110 | ALN08110 | ALN10110 | ALN12110 |
120 | 118.25 | 121.75 | ALN03120 | ALN04120 | ALN05120 | ALN06120 | ALN08120 | ALN10120 | ALN12120 |
130 | 128.00 | 132.00 | ALN03130 | ALN04130 | ALN05130 | ALN06130 | ALN08130 | ALN10130 | ALN12130 |
140 | 138.00 | 142.00 | ALN03140 | ALN04140 | ALN05140 | ALN06140 | ALN08140 | ALN10140 | ALN12140 |
150 | 148.00 | 152.00 | ALN03150 | ALN04150 | ALN05150 | ALN06150 | ALN08150 | ALN10150 | ALN12150 |
160 | 156.00 | 164.00 | ALN03160 | ALN04160 | ALN05160 | ALN06160 | ALN08160 | ALN10160 | ALN12160 |
180 | 176.00 | 184.00 | ALN03180 | ALN04180 | ALN05180 | ALN06180 | ALN08180 | ALN10180 | ALN12180 |
200 | 195.40 | 204.60 | ALN03200 | ALN04200 | ALN05200 | ALN06200 | ALN08200 | ALN10200 | ALN12200 |
Allen Cap As per Din 912 | |||||||
DIAMETER (d) | 14 x 2 P | 16 x 2 P | 20 x 2.5 P | 24 x 3 P | 30 x 3.5 P | ||
HEAD DIAMETER (D) | Min | 20.67 | 23.67 | 29.67 | 35.61 | 44.61 | |
Max | 21.00 | 24.00 | 30.00 | 36.00 | 45.00 | ||
HEAD THICKNESS (k) | Min | 14.00 | 16.00 | 20.00 | 24.00 | 30.00 | |
Max | 13.57 | 15.57 | 19.48 | 23.48 | 29.48 | ||
SOCKET ACROSS FLAT (S) | Nom | 12.00 | 14.00 | 17.00 | 19.00 | 22.00 | |
Min | 12.21 | 14.21 | 17.23 | 19.28 | 22.28 | ||
Max | 12.03 | 14.03 | 17.05 | 19.07 | 22.07 | ||
SOCKET CORNER FLAT (e) | Min | 13.72 | 16.00 | 19.44 | 21.73 | 25.15 | |
SOCKET DEPTH (t) | Min | 7.00 | 8.00 | 10.00 | 12.00 | 15.50 | |
Length | Min | Max | |||||
25 | 23.95 | 26.05 | ALN14025 | ALN16025 | |||
30 | 28.95 | 31.05 | ALN14030 | ALN16030 | |||
35 | 33.75 | 36.25 | ALN14035 | ALN16035 | ALN20035 | ALN24035 | |
40 | 38.75 | 41.25 | ALN14040 | ALN16040 | ALN20040 | ALN24040 | |
45 | 43.75 | 46.25 | ALN14045 | ALN16045 | ALN20045 | ALN24045 | ALN30045 |
50 | 48.75 | 51.25 | ALN14050 | ALN16050 | ALN20050 | ALN24050 | ALN30050 |
55 | 53.5 | 56.5 | ALN14055 | ALN16055 | ALN20055 | ALN24055 | ALN30055 |
60 | 58.5 | 61.5 | ALN14060 | ALN16060 | ALN20060 | ALN24060 | ALN30060 |
65 | 63.5 | 66.5 | ALN14065 | ALN16065 | ALN20065 | ALN24065 | ALN30065 |
70 | 68.5 | 71.5 | ALN14070 | ALN16070 | ALN20070 | ALN24070 | ALN30070 |
80 | 78.5 | 81.5 | ALN14080 | ALN16080 | ALN20080 | ALN24080 | ALN30080 |
90 | 88.25 | 91.75 | ALN14090 | ALN16090 | ALN20090 | ALN24090 | ALN30090 |
100 | 98.25 | 101.75 | ALN14100 | ALN16100 | ALN20100 | ALN24100 | ALN30100 |
110 | 108.25 | 111.75 | ALN14110 | ALN16110 | ALN20110 | ALN24110 | ALN30110 |
120 | 118.25 | 121.75 | ALN14120 | ALN16120 | ALN20120 | ALN24120 | ALN30120 |
130 | 128 | 132 | ALN14130 | ALN16130 | ALN20130 | ALN24130 | ALN30130 |
140 | 138 | 142 | ALN14140 | ALN16140 | ALN20140 | ALN24140 | ALN30140 |
150 | 148 | 152 | ALN14150 | ALN16150 | ALN20150 | ALN24150 | ALN30150 |
160 | 156 | 164 | ALN14160 | ALN16160 | ALN20160 | ALN24160 | ALN30160 |
180 | 176 | 184 | ALN14180 | ALN16180 | ALN20180 | ALN24180 | ALN30180 |
200 | 195.4 | 204.6 | ALN14200 | ALN16200 | ALN20200 | ALN24200 | ALN30200 |