
Introduction
DIN - 557, 562, 928
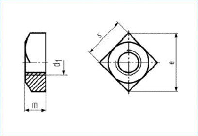
A square nut is a type of fastener with a square-shaped body and internal threads that allow it to be tightened onto a bolt or screw. It is used in conjunction with these fasteners to securely fasten two or more components together. Square nuts are typically made of metal, such as steel or brass, and they are available in a range of sizes to suit different applications. They are commonly used in construction, automotive, and mechanical engineering, and they are often used in conjunction with other types of fasteners, such as washers, to provide additional support and improve the overall strength of the connection. Square nuts have a larger surface area than some other types of nuts, which can provide more stability and support in certain applications. They are also easy to grip with a wrench or socket, making them easy to install and remove.

Steel Grades: 4.6, 8.8, 10.9, 12.9
All measurements are in mm
SQUARE WELD NUT AS PER DIN 926 | ||||||||||||
PART CODE | DIAMETER | ACROSS FLAT (S) | ACROSS CORNER ( e ) | NUT HEIGHT (m) | COLLER HEIGHT (h2) | STEP HEIGHT (h1) | COLLER DIA (d3) | |||||
MIN | MAX | MIN | MIN | MAX | MIN | MAX | MIN | MAX | MIN | |||
HSWN04000 | 4 X 0.70 P | 6.70 | 7.00 | 9.00 | 3.20 | 3.50 | 0.40 | 1.30 | 0.50 | 0.70 | 6.40 | |
HSWN05000 | 5 X 0.80 P | 8.70 | 9.00 | 12.00 | 3.90 | 4.20 | 0.60 | 1.50 | 0.70 | 0.90 | 8.20 | |
HSWN06000 | 6 X 1.00 P | 9.70 | 10.00 | 13.00 | 4.70 | 5.00 | 0.70 | 1.80 | 0.70 | 0.90 | 9.10 | |
HSWN08000 | 8 X 1.25 P | 13.64 | 14.00 | 18.00 | 6.14 | 6.50 | 1.10 | 2.00 | 0.90 | 1.10 | 12.80 | |
HSWN10000 | 10 X 1.50 P | 16.64 | 17.00 | 22.00 | 7.64 | 8.00 | 1.25 | 2.20 | 1.10 | 1.30 | 15.60 | |
HSWN12000 | 12 X 1.75 P | 18.57 | 19.00 | 25.00 | 9.07 | 9.50 | 1.75 | 3.00 | 1.30 | 1.50 | 17.40 | |
HSWN14000 | 14 X 2.00 P | 21.57 | 22.00 | 28.00 | 0.97 | 11.40 | 1.75 | 3.20 | 1.30 | 1.50 | 20.40 | |
HSWN16000 | 16 X 2.00 P | 23.57 | 24.00 | 32.00 | 12.57 | 13.00 | 2.00 | 4.00 | 1.50 | 1.70 | 22.40 |